

|
Electrical Spec. |
Options | ||
|
Rating voltage |
1000VAC/1500VAC |
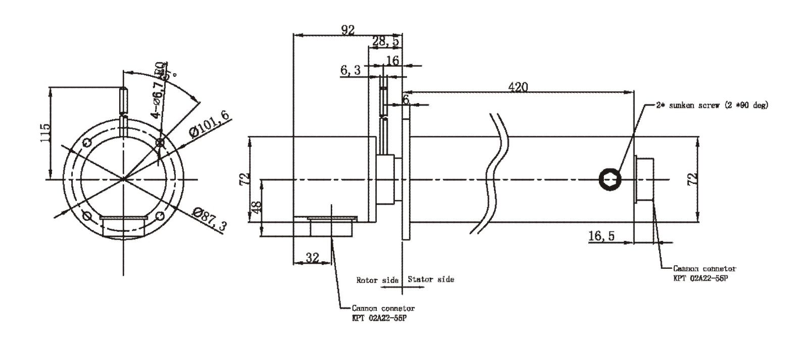
Flange for set up |
|
|
Rating current |
5A ,10A ,15A /Ring |
Optional watertight cable or watertight connector connection;Optional hydraulic or optical fiber used in combination |
|
|
Insulation resistance |
1000M@500VDC |
Can combine more circuits:1-200Ring |
|
|
Dielectric strength |
4000VDC @50Hz |
Can combine Fiber rotary joint |
|
|
Electrical noise |
10mΩ@6VDC,50mA, 5Rpm |
Wire exit or connector |
|
|
Mechanical Spec |
Environment |
||
|
Speed |
300-4000Rpm |
Working temperature |
-40℃~+80℃ |
|
Torque |
40N.cm |
Mechanical vibration |
MIL-SID-810E |
|
Seal class |
IP66 or IP68 @4Mpa |
Work enviroment |
Martine or underwater |
|
Contact material |
Precious Metal |
Pressure |
4Mpa(400m) |
|
Lead Wire |
Teflon wire |
CE Certified |
YES |
|
Life |
500million revolutions |
|
|

|
¤ Feature ?Compact miniature design , small size fit for harsh space ?Moudel design ; Meet the most of requirement ?All stainless steel with water proof ?Can combine signal and power in same slip ring
|
|
|
¤ Typical Application ?Remote operated vehicles(ROV) ?Winch and TMS application ?Industrial machinery ?Seismic surveying
|

