

|
Electrical Spec. |
Options | ||
|
Circuit |
6-126 |
Flange for set up |
|
|
Rating voltage |
380VAC |
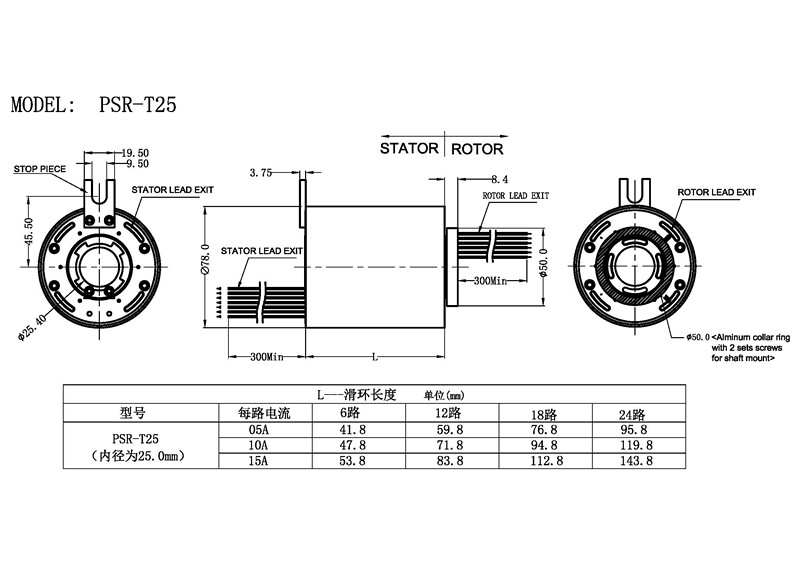
The wire exit direction,length is optional |
|
|
Rating current |
5A /Ring,10A /Ring,15A /Ring |
Can combine more circuits:1-126Ring |
|
|
Insulation resistance |
1000MΩ@500VDC |
Higher voltage and current capacity |
|
|
Dielectric strength |
600VDC@50Hz |
Higher rotational seed:1000Rpm、2500Rpm、5000Rpm、10000Rpm |
|
|
Electrical noise |
10mΩ@6VDC,50mA, 5Rpm |
|
|
|
Mechanical Spec |
Environment |
||
|
Through bore |
25.4mm |
Working temperature |
-40℃~+80℃ |
|
Speed |
300Rpm |
Mechanical vibration |
MIL-SID-810E |
|
Torque |
40N.cm |
Humidity |
10% to 90% RH non-condensing |
|
Seal class |
IP54 (IP68Options) |
Materials |
Lead Free,RoHS compliant |
|
Contact material |
Precious Metal |
CE Certified |
YES |
|
Lead Wire |
Teflon wire |
|
|
|
Life |
30million revolutions |
|
|
?Compact miniature design , small size fit for harsh space
?Moudel design ;Meet the most of requirement
?More install method for option
?Can combine signal and power in same slip ring
?Meet the requirement of industrial field
|
|
|
¤ Typical Application
?Manufacturing and control equipment ?Electrical tesf equipment ?Medical equipment ?Robotics
|
|
Installation Guide:
A.Position the slip ring in the desired location and tighten both set screws to the shaft.Maximum torque 25Ib-in(DO NOT OVER TORQUE) B.Route the wiring and make the neccessary connections.Do not allow the wiring to restrict free rotation of the slip ring.Do not constrain wiring such that wire flexing occurs.Doing so will ultimately cause failure(breakage of the wiring)
B.Route the wiring and make the neccessary connections.Do not allow the wiring to restrict free rotation of the slip ring |
![]()
|
|
CAUTION: Because of possible geometric mismatching between the customer's application and the slip ring,'hard mouting'of both ends of the slip ring(i.e.securing the rotor and stator such that there is no floating during operation) is not recommended and may cause premature failure.
|
|
