

|
Electrical |
|
Mechanical |
||
|
Circuits |
4 circuits |
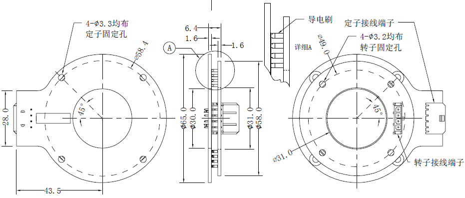
Through bore |
31mm |
|
|
Current |
2A |
Speed |
30rpm |
|
|
Voltage |
240VAC |
Torque |
0.8N.m |
|
|
Insulation resistance |
500MΩ@500VDC |
Environment |
||
|
Electrical noise |
40mΩ max |
Working temp. |
-40℃~+80℃ |
|
|
Dielectric strength |
600VDC@50Hz |
Storage temp. |
-45℃~+85℃ |
|
|
Precious contact metarial |
Hunidity |
60% |
||
|
Seal class |
Ip54 |
|||

……

